產品分類

山東合運電氣有限公司
手機:15588886921(同微信)
官網:www.kmsky.cc
郵箱:2466458158@qq.com
IGBT驅動
時間:2022-11-10 人氣: 來源:山東合運電氣有限公司
絕緣柵雙極晶體管IGBT安全工作,它集功率晶體管GTR和功率場效應管MOSFET的優點于一身,自關斷、開關頻率高(10-40 kHz)的特點,是發展最為迅速的新一代電力電子器件。廣泛應用于小體積、高效率的變頻電源、電機調速、UPS及逆變焊機當中。IGBT的驅動和保護是其應用中的關鍵技術。
產品簡介
在此根據長期使用IGBT的經驗并參考有關文獻對IGBT的門極驅動問題做了一些總結,希望對廣大IGBT應用人員有一定的幫助。
1 IGBT門極驅動要求
1.1柵極驅動電壓
因IGBT柵極-發射極阻抗大,故可使用MOSFET驅動技術進行驅動,但IGBT的輸入電容較MOSFET大,所以IGBT的驅動偏壓應比MOSFET驅動所需偏壓強。圖1是一個典型的例子。在+20℃情況下,實測60 A,1200 V以下的IGBT開通電壓閥值為5~6 V,在實際使用時,為獲得最小導通壓降,應選取Ugc≥(1.5~3)Uge(th),當Uge增加時,導通時集射電壓Uce將減小,開通損耗隨之減小,但在負載短路過程中Uge增加,集電極電流Ic也將隨之增加,使得IGBT能承受短路損壞的脈寬變窄,因此Ugc的選擇不應太大,這足以使IGBT完全飽和,同時也限制了短路電流及其所帶來的應力(在具有短路工作過程的設備中,如在電機中使用IGBT時,+Uge在滿足要求的情況下盡量選取最小值,以提高其耐短路能力)。
1.2對電源的要求
對于全橋或半橋電路來說,上下管的驅動電源要相互隔離,由于IGBT是電壓控制器件,所需要的驅動功率很小,主要是對其內部幾百至幾千皮法的輸入電容的充放電,要求能提供較大的瞬時電流,要使IGBT迅速關斷,應盡量減小電源的內阻,并且為防止IGBT關斷時產生的du/dt誤使IGBT導通,應加上一個-5 V的關柵電壓,以確保其完全可靠的關斷(過大的反向電壓會造成IGBT柵射反向擊穿,一般為-2~10 V之間)。
1.3對驅動波形的要求
從減小損耗角度講,門極驅動電壓脈沖的上升沿和下降沿要盡量陡峭,前沿很陡的門極電壓使IGBT快速開通,達到飽和的時間很短,因此可以降低開通損耗,同理,在IGBT關斷時,陡峭的下降沿可以縮短關斷時間,從而減小了關斷損耗,發熱量降低。但在實際使用中,過快的開通和關斷在大電感負載情況下反而是不利的。因為在這種情況下,IGBT過快的開通與關斷將在電路中產生頻率很高、幅值很大、脈寬很窄的尖峰電壓Ldi/dt,并且這種尖峰很難被吸收掉。此電壓有可能會造成IGBT或其他元器件被過壓擊穿而損壞。所以在選擇驅動波形的上升和下降速度時,應根據電路中元件的耐壓能力及du/dt吸收電路性能綜合考慮。
1.4對驅動功率的要求
由于IGBT的開關過程需要消耗一定的電源功率,最小峰值電流可由下式求出:
I GP=△U ge/R G+R g;
式中△Uge=+Uge+|Uge|;RG是IGBT內部電阻;Rg是柵極電阻。
驅動電源的平均功率為:
P AV=C ge△Uge 2 f,
式中.f為開關頻率;Cge為柵極電容。
1.5柵極電阻
為改變控制脈沖的前后沿陡度和防止震蕩,減小IGBT集電極的電壓尖峰,應在IGBT柵極串上合適的電阻Rg。當Rg增大時,IGBT導通時間延長,損耗發熱加劇;Rg減小時,di/dt增高,可能產生誤導通,使IGBT損壞。應根據IGBT的電流容量和電壓額定值以及開關頻率來選取Rg的數值。通常在幾歐至幾十歐之間(在具體應用中,還應根據實際情況予以適當調整)。另外為防止門極開路或門極損壞時主電路加電損壞IGBT,建議在柵射間加入一電阻Rge,阻值為10 kΩ左右。
1.6柵極布線要求
合理的柵極布線對防止潛在震蕩,減小噪聲干擾,保護IGBT正常工作有很大幫助。
a.布線時須將驅動器的輸出級和lGBT之間的寄生電感減至最低(把驅動回路包圍的面積減到最小);
b.正確放置柵極驅動板或屏蔽驅動電路,防止功率電路和控制電路之間的耦合;
c.應使用輔助發射極端子連接驅動電路;
d.驅動電路輸出不能和IGBT柵極直接相連時,應使用雙絞線連接(2轉/cm);
e.柵極保護,箝位元件要盡量靠近柵射極。
1.7隔離問題
由于功率IGBT在電力電子設備中多用于高壓場合,所以驅動電路必須與整個控制電路在電位上完全隔離,主要的途徑及其優缺點如表1所示。
表1驅動電路與控制電路隔離的途徑及優缺點
利用光電耦合器進行隔離
優點:體積小、結構簡單、應用方便、輸出脈寬不受限制,適用于PWM控制器
缺點
1、共模干擾抑制不理想
2、響應速度慢,在高頻狀態下應用受限制
3、需要相互隔離的輔助電源
利用脈沖變壓器進行隔離
優點:響應速度快,共模干擾抑制效果好
缺點:
1、信號傳送的最大脈沖寬度受磁芯飽和特性的限制,通常不大于50%,最小脈寬受磁化電流限制
2、受漏感及集膚影響,加工工藝復雜
2典型的門極驅動電路介紹
2.1脈沖變壓器驅動電路
脈沖變壓器驅動電路如圖2所示,V1~V4組成脈沖變壓器一次側驅動電路,通過控制V1、V4和V2、V3的輪流導通,將驅動脈沖加至變壓器的一次側,二次側通過電阻R1與IGBT5柵極相連,R1、R2防止IGBT5柵極開路并提供充放電回路,R1上并聯的二極管為加速二極管,用以提高IGBT5的開關速度,穩壓二極管VS1、VS2的作用是限制加在IGBT5g-e端的電壓,避免過高的柵射電壓擊穿柵極。柵射電壓一般不應超過20 V。
圖2脈沖變壓器驅動電路
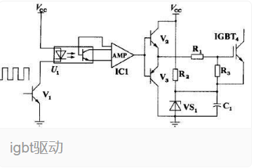
2.2光耦隔離驅動電路
光耦隔離驅動電路如圖3所示。由于IGBT是高速器件,所選用的光耦必須是小延時的高速型光耦,由PWM控制器輸出的方波信號加在三極管V1的基極,V1驅動光耦將脈沖傳遞至整形放大電路IC1,經IC1放大后驅動由V2、V3組成的對管(V2、V3應選擇β>100的開關管)。對管的輸出經電阻R1驅動IGBT4,R3為柵射結保護電阻,R2與穩壓管VS1構成負偏壓產生電路,VS1通常選用1 W/5.1 V的穩壓管。此電路的特點是只用1組供電就能輸出正負驅動脈沖,使電路比較簡潔。
圖3光耦隔離驅動電路
2.3驅動模塊構成的驅動電路
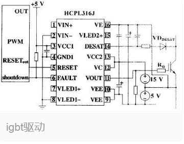
應用成品驅動模塊電路來驅動IGBT,可以大大提高設備的可靠性,目前市場上可以買到的驅動模塊主要有:富士的EXB840、841,三菱的M57962L,落木源的KA101、KA102,惠普的HCPL316J、3120等。這類模塊均具備過流軟關斷、高速光耦隔離、欠壓鎖定、故障信號輸出功能。由于這類模塊具有保護功能完善、免調試、可靠性高的優點,所以應用這類模塊驅動IGBT可以縮短產品開發周期,提高產品可靠性。EXB840和M57962很多資料都有介紹,KA101和KA102的資料可以從百度搜索,這里就簡要介紹一下惠普公司的HCPL316J。典型電路如圖4所示。
圖4由驅動模塊構成的驅動電路
HCPL316J可以驅動150 A/1200 V的IGBT,光耦隔離,COMS/TTL電平兼容,過流軟關斷,最大開關速度500 ns,工作電壓15~30 V,欠壓保護。輸出部分為三重復合達林頓管,集電極開路輸出。采用標準SOL-16表面貼裝。
HCPL316J輸入、輸出部分各自排列在集成電路的兩邊,由PWM電路產生的控制信號加在316j的第1腳,輸入部分需要1個5 V電源,RESET腳低電平有效,故障信號輸出由第6腳送至PWM的關閉端,在發生過流情況時及時關閉PWM輸出。輸出部分采用+15 V和-5 V雙電源供電,用于產生正負脈沖輸出,14腳為過流檢測端,通過二極管VDDESAT檢測IGBT集電極電壓,在IGBT導通時,如果集電極電壓超過7 V,則認為是發生了過流現象,HCPL316J慢速關斷IGBT,同時由第6腳送出過流信號。
3、結語
通過對IGBT門極驅動特點的分析及典型應用電路的介紹,使大家對IGBT的應用有一定的了解。可作為設計IGBT驅動電路的參考。
工作原理
驅動器功率不足或選擇錯誤可能會直接導致IGBT和驅動器損壞。以下總結了一些關于IGBT驅動器輸出性能的計算方法以供選型時參考。
igbt驅動電路是驅動igbt模塊以能讓其正常工作,并同時對其進行保護的電路。
絕緣柵雙極型晶體管(IGBT)在今天的電力電子領域中已經得到廣泛的應用,在實際使用中除IGBT自身外,IGBT驅動器的作用對整個換流系統來說同樣至關重要。驅動器的選擇及輸出功率的計算決定了換流系統的可靠性。
因此,在IGBT數據手冊中給出的電容Cies值在實際應用中僅僅只能作為一個參考值使用。
IGBT的開關特性主要取決于IGBT的門極電荷及內部和外部的電阻
技術現狀
現有技術概述
市場上的驅動器產品簡介
TX系列驅動器介紹
現有技術
開關電源中大功率器件驅動電路的設計一向是電源領域的關鍵技術之一。普通大功率三極管和絕緣柵功率器件(包括VMOS場效應管和IGBT絕緣柵雙極性大功率管等),由于器件結構的不同,具體的驅動要求和技術也大不相同。前者屬于電流控制器件,要求合適的電流波形來驅動;后者屬于電場控制器件,要求一定的電壓來驅動。本文只介紹后者的情況。
VMOS場效應管(以及IGBT絕緣柵雙極性大功率管等器件)的源極和柵極之間是絕緣的二氧化硅結構,直流電不能通過,因而低頻的靜態驅動功率接近于零。但是柵極和源極之間構成了一個柵極電容Cgs,因而在高頻率的交替開通和關斷時需要一定的動態驅動功率。小功率VMOS管的Cgs一般在10-100pF之內,對于大功率的絕緣柵功率器件,由于柵極電容Cgs較大,在1-100nF,甚至更大,因而需要較大的動態驅動功率。更由于漏極到柵極的密勒電容Cdg,柵極驅動功率是不可忽視的。
為可靠驅動絕緣柵器件,目前已有很多成熟電路。當驅動信號與功率器件不需要隔離時,驅動電路的設計是比較簡單的,目前也有了一些優秀的驅動集成電路,如IR2110。當需要驅動器的輸入端與輸出端電氣隔離時,一般有兩種途徑:采用光電耦合器,或是利用脈沖變壓器來提供電氣隔離。
光電耦合器的優點是體積小巧,缺點是:A.反應較慢,因而具有較大的延遲時間(高速型光耦一般也大于500ns);B.光電耦合器的輸出級需要隔離的輔助電源供電。
用脈沖變壓器隔離驅動絕緣柵功率器件有三種方法:無源、有源和自給電源驅動。
無源方法就是用變壓器次級的輸出直接驅動絕緣柵器件,這種方法很簡單,也不需要單獨的驅動電源,但由于絕緣柵功率器件的柵源電容Cgs一般較大,因而柵源間的波形Vgs將有明顯變形,除非將初級的輸入信號改為具有一定功率的大信號,相應脈沖變壓器也應取較大體積。
有源方法中的變壓器只提供隔離的信號,在次級另有整形放大電路來驅動絕緣柵功率器件,當然驅動波形好,但是需要另外提供隔離的輔助電源供給放大器。而輔助電源如果處理不當,可能會引進寄生的干擾。
自給電源方法的已有技術是對PWM驅動信號進行高頻(1MHz以上)調制,該信號加在隔離脈沖變壓器的初級,在次級通過直接整流得到自給電源,而原PWM調制信號則需經過解調取得,顯然,這種方法并不簡單,價格當然也較高。調制的優點是可以傳遞的占空比不受限制。
分時式自給電源技術,是國內的發明專利技術,其特點是變壓器在輸入PWM信號的上升和下降沿只傳遞PWM信息,在輸入信號的平頂階段傳遞驅動所需要的能量,因而波形失真很小。這種技術的缺點是占空比一般只能達到5-95%。
市場現狀
當前市場上的成品驅動器,按驅動信號與被驅動的絕緣柵器件的電氣關系來分,可分為直接驅動和隔離驅動兩種,其中隔離驅動的隔離元件有光電耦合器和脈沖變壓器兩種。
不隔離的直接驅動器
在Boost、全波、正激或反激等電路中,功率開關管的源極位于輸入電源的下軌,PWM IC輸出的驅動信號一般不必與開關管隔離,可以直接驅動。如果需要較大的驅動能力,可以加接一級放大器或是串上一個成品驅動器。直接驅動的成品驅動器一般都采用薄膜工藝制成IC電路,調節電阻和較大的電容由外引腳接入。
目前的成品驅動器種類不少,如TI公司的UCC37XXX系列,TOSIBA公司的TPS28XX系列,Onsemi公司的MC3315X系列,SHARP公司的PC9XX系列,IR公司的IR21XX系列,等等,種類繁多,本文不作具體介紹,讀者可查閱相關資料。
使用光電耦合器的上的IGBT。
靜態測試
輸出波形
帶保護功能的驅動器和驅動板,用戶如要測試正常的靜態(不加主電情況下)輸出波形,需要注意以下幾點:
1、如果功率管IGBT或MOSFET已經連接在電路中了,則加上驅動電源和PWM輸入信號,就可以在輸出端用示波器看到相應的輸出信號。
2、如果功率管沒有接,只是在做一個輸出測試,那么必須將應接功率管集電極和發射極(或漏極和源極)的兩點予以短路才行。因為如果集電極或漏極懸空,那么驅動器或驅動板將認為功率管處于短路狀態而啟動內部的保護機制,這時看到的將是驅動器輸出的保護信號波形,無論是波形形狀還是周期都與輸入的PWM信號完全不同。
短路保護
IGBT在應用中要解決的主要問題就是如何在過流、短路和過壓的情況下對IGBT實行比較完善的保護。過流故障一般需要稍長的時間才使電源過熱,因此對它的保護都由主控制板來解決。過壓一般發生在IGBT關斷時,較大的di/dt在寄生電感上產生了較高的電壓,這需要用緩沖電路來鉗制,或者適當降低關斷的速率。短路故障發生后瞬時就會產生極大的電流,很快就會損壞IGBT,主控制板的過流保護根本來不及,必須由驅動電路或驅動器立刻加以保護。
因此驅動器的短路保護功能設計的是否完善,對電源的安全運行至關重要。拿到一個驅動電路,使用前先測試一下它的短路保護功能是否完善,是很有必要的。本文介紹兩種測試方法。
1、第一種測試方法
圖中PWM信號送到驅動器的信號輸入端,故障后再啟動電容Creset=10nF,Dhv是高反壓快恢復管,限流電阻Rlimit=10-100R,電容C=10-470uF。示波器可在驅動器的輸入和輸出端監測。如果不接Creset,則驅動器輸出端輸出的是約1ms的脈沖,也就是IGBT每1ms短路一次。考慮到有的IGBT在這種情況下時間長了仍有可能過熱燒毀,接入10nF的Creset后,則為約12ms短路一次,保證了IGBT的安全。
過流動作閾值設置電阻Rn的選取,請根據所試驅動器說明中的關于Rn的說明和所試驗IGBT的正向伏安特性曲線選取合適的阻值。
在單管電路的開關電源中,接入適當的Creset后,可以省去通常的短路信號反饋光耦。
2、第二種測試方法
與第一種方法類似,只是不讓IGBT始終保持短路,用手工來短路A、B兩點。這種短路試驗比第一種更嚴酷,對驅動器的要求也更高,因為手工短路,不可能一下接實,實際是一連串的通斷過程。注意:實驗時一定注意人身安全,最好在工頻輸入處加一個隔離變壓器。
選取方法
一、柵極電阻Rg的作用
1、消除柵極振蕩
絕緣柵器件(IGBT、MOSFET)的柵射(或柵源)極之間是容性結構,柵極回路的寄生電感又是不可避免的,如果沒有柵極電阻,那柵極回路在驅動器驅動脈沖的激勵下要產生很強的振蕩,因此必須串聯一個電阻加以迅速衰減。
2、轉移驅動器的功率損耗
電容電感都是無功元件,如果沒有柵極電阻,驅動功率就將絕大部分消耗在驅動器內部的輸出管上,使其溫度上升很多。
3、調節功率開關器件的通斷速度
柵極電阻小,開關器件通斷快,開關損耗小;反之則慢,同時開關損耗大。但驅動速度過快將使開關器件的電壓和電流變化率大大提高,從而產生較大的干擾,嚴重的將使整個裝置無法工作,因此必須統籌兼顧。
二、柵極電阻的選取
1、柵極電阻阻值的確定
各種不同的考慮下,柵極電阻的選取會有很大的差異。初試可如下選取:
IGBT額定電流(A)
50
100
200
300
600
800
1000
1500
Rg阻值范圍(Ω)
10~20
5.6~10
3.9~7.5
3~5.6
1.6~3
1.3~2.2
1~2
0.8~1.5
不同品牌的IGBT模塊可能有各自的特定要求,可在其參數手冊的推薦值附近調試。
2、柵極電阻功率的確定
柵極電阻的功率由IGBT柵極驅動的功率決定,一般來說柵極電阻的總功率應至少是柵極驅動功率的2倍。
IGBT柵極驅動功率P=FUQ,其中:
F為工作頻率;
U為驅動輸出電壓的峰峰值;
Q為柵極電荷,可參考IGBT模塊參數手冊。
例如,常見IGBT驅動器(如TX-KA101)輸出正電壓15V,負電壓-9V,則U=24V,
假設F=10KHz,Q=2.8uC
可計算出P=0.67w,柵極電阻應選取2W電阻,最好是2個1W電阻并聯。
三、設置柵極電阻的其他注意事項
1、盡量減小柵極回路的電感阻抗,具體的措施有:
a)驅動器靠近IGBT減小引線長度;
b)驅動的柵射極引線絞合,并且不要用過粗的線;
c)線路板上的2根驅動線的距離盡量靠近;
d)柵極電阻使用無感電阻;
e)如果是有感電阻,可以用幾個并聯以減小電感。
2、IGBT開通和關斷選取不同的柵極電阻
通常為達到更好的驅動效果,IGBT開通和關斷可以采取不同的驅動速度,分別選取Rgon和Rgoff(也稱aamDw7KUL2dContent-Disposition:form-data;name="mc_al_lge"other
關于IGBT驅動,小編為大家就分享這些。歡迎聯系我們合運電氣有限公司,以獲取更多相關知識。
上一篇:江門市安利電源工程有限公司